IR4427替換芯片ID1127雙低側、大電流驅動,可完美代換!
字號:T|T
近兩年來,由于缺貨和漲價等因素,很多廠商通過國產替代來解決項目缺料的問題,國產電機驅動芯片在電壓耐壓、電流驅動能力及抗靜電、抗浪涌等可靠性方面都有不錯的表現,ID1127雙低側、大電流驅動可兼容替代IR4427芯片。
ir4427代換芯片ID1127封裝

ir4427替換芯片ID1127特點
■ 5-18V 寬范圍工作電壓范圍
■ 輸入兼容 3.3V, 5V 邏輯工作電平
■ 3.5A/3.7A 拉灌電流能力

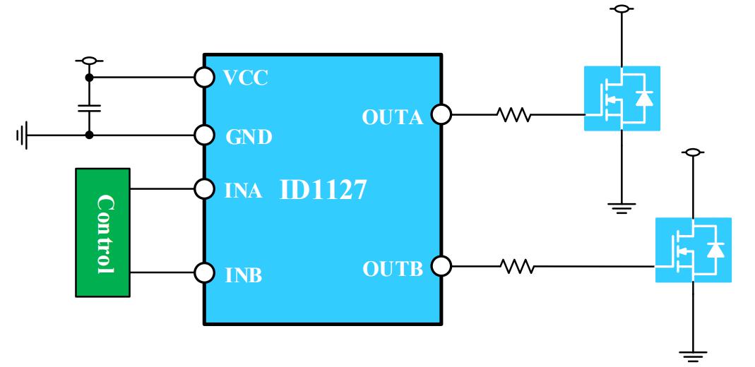
ID1127和IR4427芯片都是采用SOP-8封裝,芯片1腳和8腳在芯片中作為常開引腳,不起作用,一通道由2腳輸入引腳與7腳輸出引腳組成,芯片3腳是芯片的接地引腳。芯片6腳作為芯片的電源供電引腳,二通道由4腳輸入引腳與5腳輸出引腳組成。

ID1127 是一款低電壓、高速功率MOSFET和IGBT驅動芯片,具有防門鎖的CMOS技術,其引腳功能和性能和IR4427芯片基本一致,ID1127可兼容替代ir4427,被廣泛應用于PFC控制器、脈沖變壓器驅動、DC DC轉換器、任何互補驅動轉換器等領域。
同類文章排行
- ap8022代換viper22a可兼容,不改PCB及外圍
- 電源芯片sdh8302s可PIN腳代換VIPER12A/AP80
- 什么是MOS管的雪崩及mos管雪崩擊穿原理!
- 常用dc-dc降壓芯片推薦
- 國產電源管理芯片有哪些?
- sdh8303代換viper22a/AP8012H,PIN腳兼容無
- PN555L內置690V小功率非隔離芯片可替PN8008
- IR4427替換芯片ID1127雙低側、大電流驅動,
- 常用低壓mos管型號及選型!
- ob2269替代芯片CR6842成本低,性能更穩定!
阿里巴巴店鋪
關注驪微
收藏驪微

