CR6212_5V/12V高效率、低成本電源方案,完美替換OB257X
字號:T|T
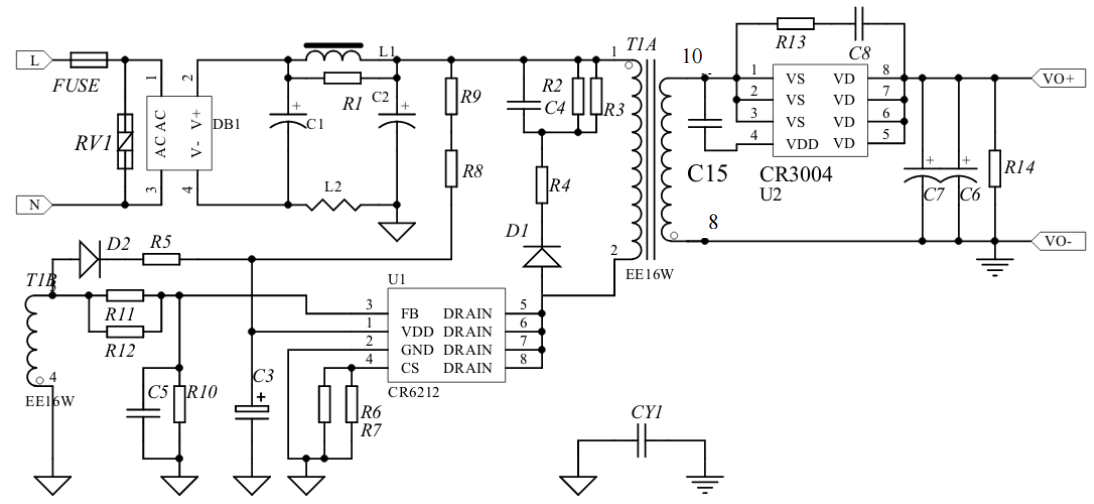
CR6212BS+CR3004SLD_12V1.5A電源適配器方案,是基于一個能適用于寬輸入電壓范圍,輸出功率 18W,恒壓恒流輸出的電源適配器,采用了CR6212BSJ 功率開關和 CR3004SLD 同步整流芯片。
一、方案概述
1、樣機PCBA尺寸:67*35*23mm,是一款全電壓實現12V1.5A輸出的電源適配器。
2、AC90V滿足啟動時間的條件下,實現AC264V樣機待機功耗僅為71mW;同時效率能夠滿足最嚴格的 “COC_V5_T2” 能效標準;
3、全電壓可實現±5%的CC/CV輸出精度。
4、整機(含套件外殼)可滿足40℃環境溫度滿載溫升測試要求。
5、具良好的恒流輸出效果;同時具有“軟啟動、OCP、SCP、OVP、OTP自動恢復”等多種保護功能。
二、芯片特性
CR6212BSJ 芯片特性:
● CR6212BSJ 內置 650V 高壓功率 MOSFET,反激式原邊檢測,CC\CV原邊檢測 PWM 功率開關;
● SOP8 封裝,一側引腳(5-8)全為內置 MOS 漏極,方便散熱設計;
● 內置軟啟動,減小 MOSFET 的應力,內置斜坡補償電路;
● 低功耗、高能效頻率反走 QR 模式控制;
● 具有良好的 EMI 特性,可編程輸入欠壓或過壓保護;
● 具有“軟啟動、OCP、SCP、OTP、OVP、引腳懸空”等多種保護;
● 原邊反饋,無需光耦和 TL431,內置電感量偏差補償功能;
● 電路結構簡單、較少的外圍元器件,適用于小功率 AC/DC 電源適配器、充電器。
CR3004SLD 芯片特性:
● 自供電 DCM 同步整流開關、SOP8 封裝、內置 60V 耐壓功率開關管、精簡的外圍電路、較低的工作電流和較高的系統效率滿足高能效要求。
三、PCB及DEMO實物圖

四、典型電路圖

五、整機參數

CR6212BSJ_12V1.5A電源適配器方案待機功耗(230V)<63mW,平均效率>86%;電路結構簡單、較少的外圍元器件,適用于小功率 AC/DC 電源適配器、充電器,可兼容代換OB2570、OB2571、OB2576、OB2578等IC,更多CR6212B系列12V1A/12V1.5A/5V3.4A原邊檢測開關電源芯片產品手冊、樣品及參考應用資料請向啟臣微代理驪微電子申請。>>
同類文章排行
- CR5218SC_5V1A適配器方案
- 7個大幅精簡外圍的ac-dc電源管理芯片方案
- 德普微DP2525B原邊反饋電源芯片恒壓恒流5W
- 5v開關電源芯片PN8370M+PN8306M 5V2A六級能
- CR1252+CR3012_12V20A開關電源方案
- 基于PN8390+PN8308M高性能12V2A適配器電源
- PN8000無電感負壓輸出AC-DC非隔離超精簡方
- PN8370_2.4A手機充電器電源芯片方案
- CR6249_12V1.5A電源適配器方案
- 12V3.0A同步整流六級能效電源適配器應用方
阿里巴巴店鋪
關注驪微
收藏驪微

