15W Qi無線充電芯片HC57015
字號:T|T
自從蘋果宣布推出采用定頻調壓架構、7.5W的無線充電方案之后,中等功率無線充電市場被激活了,如今15W的無線“快充”時代已經來臨,各個廠家爭先推出更大功率的無線充電芯片及方案,驪微電子推出Qi無線充電芯片HC57015—15W無線充電方案。

15W Qi無線充電芯片HC57015特征:
■ 電源電壓:3.3V至5.5V
■ WPC-1.2.4兼容(BPP和EPP)
■ 支持15W以上高速充電器RX輸出功率支持QC2.0、QC3.0適配器
■ 為獲得最佳EMI性能而優化的同時電壓和電流解調嵌入32位增強型Cortex-M0內核,在模擬模塊中內置
■ 16kbytes SRAM,在PLL模塊中內置
■ 用于外部mosfet的帶有128mhz集成門驅動器的嵌入式定制pwm模塊
■ 集成12位11通道ADC
■ 集成低失調運算放大器,帶自動校準18通用I/O,帶SPI、I2C和UART接口
■ 過流和過溫保護-40℃至+85℃溫度范圍
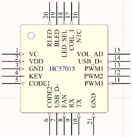
■ 提供3 x 3 mm,20針QFN封裝

采用HC57015 Qi無線充電芯片,支持最高15W無線充電,多重安全保護、WPC Qi無線充電標準認證、輕巧便攜,輸入電壓5V-12V/2A(Max),輸出功率15W(Max),HC57015高度集成15W無線充電發射端芯片,支持異物檢測(FOD),內置過流過溫保護,支持編程LED模式,為15W無線充電提供保障,更多15W Qi無線充電芯片方案產品及資料可向驪微電子申請。。。
上一篇:常用電源管理芯片型號介紹 下一篇:高集成無線充電MCU方案及SoC方案
同類文章排行
- 常用電源管理芯片型號介紹
- PN8680M替代OB2500POP腳位一樣,無需改板省
- AP8012H代換ST Viper12A可PIN to PIN兼容
- 主流的快充協議芯片PD充電芯片
- 200V高耐壓DC-DC降壓型電動車控制器芯片
- 富滿pd協議芯片系列,pd快充協議芯片選型!
- 富滿20-65W PD協議芯片
- PN8036M寬輸出范圍非隔離ac/dc電源芯片
- PN8046寬輸出非隔離轉換芯片
- 芯朋微(安趨)電機驅動芯片選型指南!
阿里巴巴店鋪
關注驪微
收藏驪微

