富滿20-65W PD協議芯片
字號:T|T
伴隨蘋果iPhone 12的發布,蘋果、安卓新機不再附送充電器,給充電器配件市場帶來了前所未有的需求增長,激發了USB PD充電器市場的需求爆發,富滿云矽半導體專注研發USB PD相關產品,推出了一系列USB PD控制器,XPD720 XPD319 XPD737 XPD738系列20W-65W單口、多口PD協議芯片。
XPD319 USB Type-C PD 多協議控制器是一款集成 USB Type-C、USB Power Delivery(PD3.0)以及 PPS、QC3.0+/QC3.0/QC2.0 快充協議、華為 FCP 快充協議、三星 AFC 快充協議、BC1.2 DCP以及蘋果設備 2.4A 充電規范的多協議端口控制器,為 AC-DC 適配器、車載充電器等設備提供高性價比的 USB Type-C 端口充電解決方案。

XPD720應用在單個USB端口充電設備,是一款經典的快充協議芯片,集成了10mΩ VBUS通路功率開關管和10mΩ電流檢測電阻,具有集成度高,外圍元件少的特點,是云矽零外圍過認證PD家族的新一代產品,具有工業級8KV ESD特性,為產品提供優良可靠性。

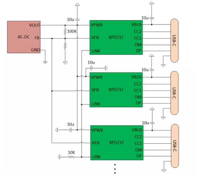
XPD737多口控制器系列采用ESOP8封裝,內部集成 10mΩ VBUS 通路管,并且集成10mΩ電流檢測電阻,支持完善的保護功能,具有XPD-LINK功能,XPD-LINK互聯技術讓芯片之間通過單線總線傳輸信息,從而可以簡單靈活的組合成多個Type-C和Type-A端口的充電方案,降低外圍元件數量,簡化電路,降低成本。

XPD738雙口控制器系列,應用在1C1A雙端口充電設備,在A口連接蘋果充電線但未接入蘋果手機時,C口仍然有快充。XPD738秉承云矽全集成設計思路,也集成了10mΩ VBUS通路功率開關管和10mΩ電流檢測電阻。對于1C1A 20W配置的充電設備,XPD738是當之無愧的不二之選。

富滿XPD319、XPD720、XPD737、XPD738 20W-65W單口、多口PD協議芯片支持QC2.0/3.0/3.0+、AFC、FCP、SCP、HVSCP、PD和PPS等主流快充協議,為 AC-DC 適配器、移動電源、車載充電器等設備提供完整的 USB Type-C 端口充電解決方案,更多富滿PD協議芯片系列詳細產品手冊或樣品、價格咨詢請聯系驪微電子。>>
同類文章排行
- 常用電源管理芯片型號介紹
- PN8680M替代OB2500POP腳位一樣,無需改板省
- AP8012H代換ST Viper12A可PIN to PIN兼容
- 主流的快充協議芯片PD充電芯片
- 200V高耐壓DC-DC降壓型電動車控制器芯片
- 富滿pd協議芯片系列,pd快充協議芯片選型!
- 富滿20-65W PD協議芯片
- PN8036M寬輸出范圍非隔離ac/dc電源芯片
- PN8046寬輸出非隔離轉換芯片
- 芯朋微(安趨)電機驅動芯片選型指南!
阿里巴巴店鋪
關注驪微
收藏驪微

