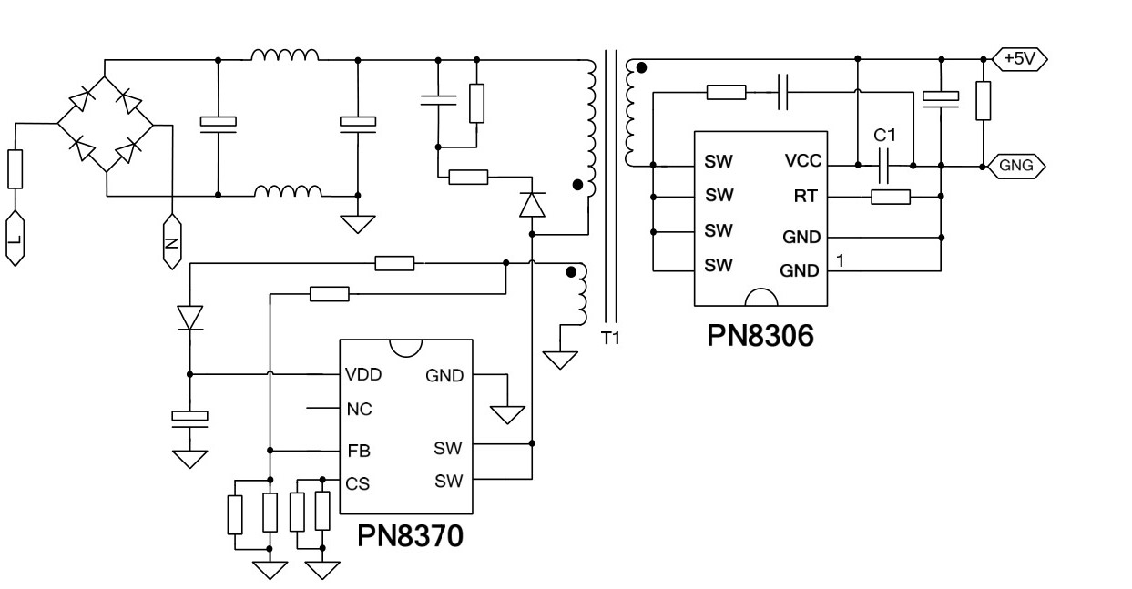
5v開關電源芯片PN8370M+PN8306M 5V2A六級能效充電ic方案
字號:T|T
5v開關電源芯片PN8370M+PN8306M 5v2a 六級能效IC方案,擁有外圍極簡、高可靠性、超低待機、高效率等優點,備受工程師們青睞!
PN8370M集成超低待機功耗準諧振原邊控制器及高雪崩能力智能功率MOSFET,用于高性能、外圍元器件精簡的充電器、適配器和內置電源!
PN8306M集成同步整流控制器及高雪崩能力MOSFET,用于在高性能AC/DC反激系統中替代次級整流肖特基二極管,提升轉換效率,使得系統效率可以滿足6級能效標準,并留有足夠裕量。

PN8370M+PN8306M5V2A開關電源IC方案亮點:
外圍簡潔(節省8顆元件):5v開關電源芯片PN8370M節省2顆啟動電阻;PN8306M獨特控制技術可實現零外圍工作,節省傳統SR方案的供電RC濾波,SW偵測電阻,RT電阻,RC吸收等6顆元件!
高可靠性:a.方案三道防線,實現SR與PSR零直通風險;b.芯片HBM ESD大于4kV,latchup電流大于400mA,顯著提高系統安規能力,接觸靜電高達15kV;c.PSR與SR匹配工作,徹底避免小載采樣沖突,異常工況下,SR做好配角,PSR主導所有異常保護!
低待機功耗:PN8370M內置高壓啟動,可輕松實現50mW待機功耗。
PN8370M+PN8306M應用Q&A :
Q1: PN8306M是否需要外并二極管提高穩定性?
A1: PN8306M產品定位是做好PSR的配角,無需外并二極管
a. PN8306M的供電欠壓保護點(2.8V)低于PN8370M的輸出欠壓保護點(3.1V),異常工況下,PN8370主導方案所有保護!
b. PN8306M內部自適應Ton,min,SR關斷點滯后于PN8370M的原邊采樣點,徹底避免小載不穩定問題。
Q2: PN8306M如何提高方案的安規能力?
A2:得益于以下獨特設計,VCC腳外掛0.1uF去耦電容,系統靜電能力可提高至接觸15kV
a. PN8306M內部集成高雪崩能力MOSFET。
b. HBM ESD大于4kV,Latchup電流大于400mA,顯著提高芯片抗異常電壓/電流沖擊能力。
Q3: 方案如何避免PSR與SR直通問題?
A3: PN8370M+PN8306M以三道防線徹底解決直通問題
第一道:PN8306M基于面積法的防振鈴誤開通算法可有效避免SR被振鈴干擾誤開通!
第二道:PN8370M采用專利跳谷底開通算法,PSR開通點與SR振鈴可能誤開通點相位上錯開180度,有效避免直通!
第三道: PN8370M內部的智能MOSFET上含有電流采樣管,即使直通也可快速精準保護,避免電源損壞。
同類文章排行
- CR5218SC_5V1A適配器方案
- 7個大幅精簡外圍的ac-dc電源管理芯片方案
- 德普微DP2525B原邊反饋電源芯片恒壓恒流5W
- 5v開關電源芯片PN8370M+PN8306M 5V2A六級能
- CR1252+CR3012_12V20A開關電源方案
- 基于PN8390+PN8308M高性能12V2A適配器電源
- PN8000無電感負壓輸出AC-DC非隔離超精簡方
- PN8370_2.4A手機充電器電源芯片方案
- CR6249_12V1.5A電源適配器方案
- 12V3.0A同步整流六級能效電源適配器應用方
阿里巴巴店鋪
關注驪微
收藏驪微

