推薦產品
聯系我們
深圳市驪微電子科技有限公司
電話:0755-23087599
手機:13808858392
郵箱:dunianhua@leweitech.com
地址:深圳市寶安區西鄉鶴洲恒豐工業城B11棟5樓東
XL7015產品描述:
XL7015 是一款高效、高 壓 降壓型DC-DC轉換器,固定150KHz開關頻率,可提供最高0.8A輸出電流能力,低紋波,出色的線性調整率與負載調整率。XL7015內置固定頻率振蕩器與頻率補償電路,簡化了電路設計。 PWM控制環路可以調節占空比從0~100%之間線性變化。內置輸出過電流保護功能,當輸出短路時,開關頻率從150KHz降至45KHz。內部補償模塊可以減少外圍元器件數量。
XL7015產品特點 :
5V到80V寬輸入電壓范圍
輸出電壓從1.25V到20V可調
最大占空比100%
最小壓降1V
固定150KHz開關頻率
最大0.8A開關電流
推薦輸出功率小于7W
內置高壓功率三極管
效率高達85%
出色的線性與負載調整率
EN腳TTL關機功能
內置過熱關斷護功能
內置限流功能
內置輸出短路保護功能
TO252-5L封裝
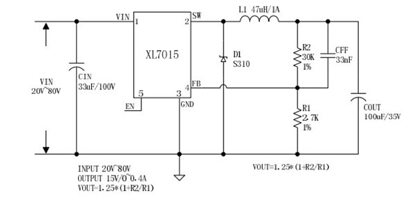
典型應用圖

典型應用圖

阿里巴巴店鋪
關注驪微
收藏驪微










