推薦產品
聯系我們
深圳市驪微電子科技有限公司
電話:0755-23087599
手機:13808858392
郵箱:dunianhua@leweitech.com
地址:深圳市寶安區西鄉鶴洲恒豐工業城B11棟5樓東
XL2012產品描述:
XL2012是一個150KHz的固定頻率PWM降壓(步降)DC/DC轉換器,能夠驅動一個2.4A的負載,高效率,低紋波和出色的線路和負載調節。需要的外部元件數量最少,穩壓器簡單易用,包括內部頻率補償和固定頻率振蕩器。
XL2012內置輸出短路保護功能。當短路保護功能的情況,該芯片將被關閉。內部補償模塊是建立在以盡量減少外部元件數量。
XL2012產品特點:
8V至40V的輸入電壓范圍。
固定的5V輸出電壓。
最大2.4A的輸出電流。
150KHz的固定開關頻率。
內部優化的功率MOSFET。
效率高達92%。
內置輸出短路關斷功能。
出色的線路和負載調節。
內置熱關斷功能。
內置電流限制功能。
SOP-8封裝。
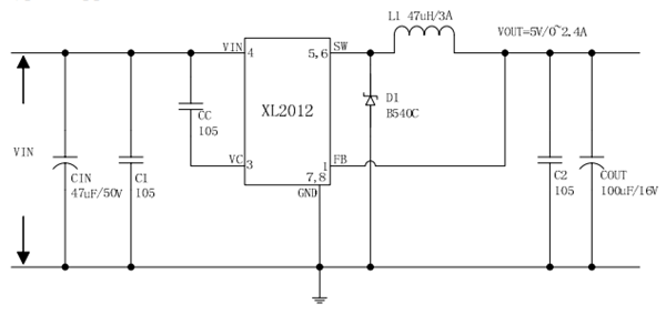
典型應用圖

典型應用圖

阿里巴巴店鋪
關注驪微
收藏驪微










