PN8370_2.4A充電器IC方案
字號:T|T
PN8370產品描述:
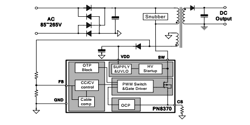
PN8370集成超低待機功耗準諧振原邊控制器及650V高雪崩能力智能功率MOSFET,用于高性能、外圍元器件精簡的充電器、適配器和內置電源。PN8370為原邊反饋工作模式,可省略光耦和TL431。內置高壓啟動電路,可實現芯片空載損耗(230VAC)
PN8370集成超低待機功耗準諧振原邊控制器及650V高雪崩能力智能功率MOSFET,用于高性能、外圍元器件精簡的充電器、適配器和內置電源。PN8370為原邊反饋工作模式,可省略光耦和TL431。內置高壓啟動電路,可實現芯片空載損耗(230VAC)
小于30mW。在恒壓模式,采用準諧振與多模式技術提高效率并消除音頻噪聲,使得系統滿足6級能效標準,可調輸出線補償功能能使系統獲得較好的負載調整率;在恒流模式,輸出電流和功率可通過CS腳的RCS電阻進行調節。該芯片提供了極為全面的智能保護功能,包含逐周期過流保護、過壓保護、開環保護、過溫保護、輸出短路保護和CS開/短路保護等。
PN8370產品特點:
內置650V高雪崩能力智能功率MOSFETyle="white-space:pre">
內置高壓啟動電路,小于30mW空載損耗(230VAC)yle="white-space:pre">
采用準諧振與多模式技術提高效率,滿足6級能效標準yle="white-space:pre">
全電壓輸入范圍±5%的CC/CV精度yle="white-space:pre"> 封裝/訂購信息
原邊反饋可省光耦和TL431yle="white-space:pre">
恒壓、恒流、輸出線補償外部可調yle="white-space:pre">
無需額外補償電容yle="white-space:pre">
無音頻噪聲yle="white-space:pre">
智能保護功能yle="white-space:pre">
過溫保護 (OTP)
VDD欠壓&過壓保護 (UVLO&OVP)
逐周期過流保護 (OCP)yle="white-space:pre">
CS開/短路保護 (CS O/SP)yle="white-space:pre">
開環保護 (OLP)yle="white-space:pre">
典型應用圖
同類文章排行
- 7個大幅精簡外圍的ac-dc電源管理芯片方案
- 主流的快充協議芯片PD充電芯片
- 一款適配器的AC-DC轉換芯片介紹-SD4873
- PN8370M+PN8305L小體積5V2A充電器ic方案
- PN8161+PN8307H省10顆外圍的18W PD快充電源
- 士蘭微推出AC/DC 5V/1A充電器解決方案SD69
- SF6773 650V功率電源手機充電器芯片
- 節省外圍的PN8370M+PN8306M 5V2A六級能效充
- 芯龍12V/5A DC/DC低成本電源芯片方案-XL150
- NCE現貨n溝道mos管NCE6003Y磁場應管SOT23-3
阿里巴巴店鋪
關注驪微
收藏驪微

