推薦產品
聯系我們
深圳市驪微電子科技有限公司
電話:0755-23087599
手機:13808858392
郵箱:dunianhua@leweitech.com
地址:深圳市寶安區西鄉鶴洲恒豐工業城B11棟5樓東
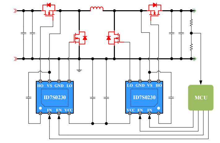
ID7S0230 18V 半橋自舉驅動芯片
所屬分類:芯朋電機驅動芯片
品牌:芯朋微/安趨
型號:ID7S0230DEC-R1
封裝: DFN3X 3-8L
功率:18V
電流:3.5/3.0 A
型號:ID7S0230DEC-R1
封裝: DFN3X 3-8L
功率:18V
電流:3.5/3.0 A
訂購熱線:0755-23087599
ID7S0230半橋自舉驅動芯片是一款單相高壓功率的MOSFET和IGBT柵極驅動器,其被優化用于驅動高側和低側功率晶體管。其浮地通道驅動設計能適應高達18V的BUS電壓。由于工作電壓范圍寬,高低側柵驅動電壓可以被優化成最佳效率。內部自適應死區電路可有效防止功率管共態導通并進一步降低了開關損耗。可通過控制使能引腳(EN)為低電平來關斷驅動器的輸出。
ID7S0230半橋自舉驅動芯片特性
■ 高側浮動偏移電壓18V
■ 較寬的工作電壓范圍
■ 輸入邏輯兼容3.3V和5V
■ 一路PWM信號控制兩路輸出
■ 自適應死區防直通電路
■ 使能功能引腳
■ HO輸出與N同相,LO輸出與IN反相
■ 所有通道延時匹配功能
封裝/訂購信息

典型電路圖

應用領域
■ 電子煙
■ 無線充電器
■ DCDC變換器
ID7S0230D半橋自舉驅動芯片采用DFN8-3x3封裝,是18 V 單相,IN/EN,集成自舉二極管,輸入功率電壓高達36V,4.8-15V 寬范圍工作電壓范圍,驅動能力IO+/IO-:3.5/3.0 A,典型應用于電子煙、無線充電領域,可兼容替代ON/安森美NCP81155。
阿里巴巴店鋪
關注驪微
收藏驪微










