推薦產品
聯系我們
深圳市驪微電子科技有限公司
電話:0755-23087599
手機:13808858392
郵箱:dunianhua@leweitech.com
地址:深圳市寶安區西鄉鶴洲恒豐工業城B11棟5樓東
QX2304_電源IC QX2304
所屬分類:QX泉芯系列
品牌:泉芯
型號:QX2304
封裝:SOT23-3 SOT23-5 SOT89-3 TO-92
功率:2W
電流:300mA
型號:QX2304
封裝:SOT23-3 SOT23-5 SOT89-3 TO-92
功率:2W
電流:300mA
訂購熱線:0755-23087599
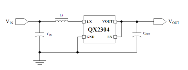
QX2304 產品描述:
QX2304是一款高效率、低功耗、低 紋波、高工作頻率的PFM同步升壓DC-DC變換器。 QX2304僅需要三個外圍元件,就可完成將低輸入的電池電壓變換升壓到所需的工作電壓。 QX2304的輸出電壓,可通過內部調節進行選擇(步進0.1V),方便客戶應用于不同的輸出負載情況。QX2304系統輸出電壓具有低紋波,低噪聲的特點。
QX2304內置的同步開關管可極大降低開關管上的損耗,使效率最高可達95%。QX2304工作于PFM模式,可有效降低輕載模式下的損耗,提高設備的使用周期。同時,芯片低的靜態電流可進一步降低系統損耗。
QX2304是一款高效率、低功耗、低 紋波、高工作頻率的PFM同步升壓DC-DC變換器。 QX2304僅需要三個外圍元件,就可完成將低輸入的電池電壓變換升壓到所需的工作電壓。 QX2304的輸出電壓,可通過內部調節進行選擇(步進0.1V),方便客戶應用于不同的輸出負載情況。QX2304系統輸出電壓具有低紋波,低噪聲的特點。
QX2304內置的同步開關管可極大降低開關管上的損耗,使效率最高可達95%。QX2304工作于PFM模式,可有效降低輕載模式下的損耗,提高設備的使用周期。同時,芯片低的靜態電流可進一步降低系統損耗。
QX2304產品特點:
最高效率:95%
最高效率:95%
最高工作頻率:300 KHz
低靜態電流:15uA
可選輸出電壓:2.5V~3.6V
輸出精度:±2.5%
寬輸入電壓范圍:0.9V~3.6V
低紋波,低噪聲
典型應用圖

典型應用圖

阿里巴巴店鋪
關注驪微
收藏驪微









