推薦產品
聯系我們
深圳市驪微電子科技有限公司
電話:0755-23087599
手機:13808858392
郵箱:dunianhua@leweitech.com
地址:深圳市寶安區西鄉鶴洲恒豐工業城B11棟5樓東
PN8326產品描述:
PN8326包括高精度的恒流原邊控制器及功率MOSFET,專用于高可靠、隔離雙繞組、極精簡外圍元器件的中小功率LED照明。該芯片工作在原邊調整模式,可省略光耦、TL431;采用了快速DMOS自供電的專利技術可節省變壓器輔助繞組和高壓啟動電阻。該芯片提供了極為全面的自恢復保護功能,包含逐周期過流保護、開環保護、過溫保護、Rcs開/短路保護和LED開/短路保護等。內置高壓啟動電路和極低的芯片功耗有助于獲取較高的工作效率。在恒流模式下,電流和輸出功率可通過CS腳的Rs電阻進行調節。
PN8326產品特點:
■ 內置700V高雪崩能力的功率MOSFET
■ 內置高壓軟啟動電路可節省外部啟動電阻
■ 原邊反饋和調節技術可節省光耦和TL431
■ 快速自供電專利技術無需變壓器輔助繞組
■ 專利的內置線電壓補償電路
■ ±3% LED恒流精度
■ 恒流輸出值可調
■ 0.5%線電壓補償精度
■ 內置原邊電感量補償電路
■ 優異全面的保護功能
過溫保護 (OTP)
逐周期過流保護 (OCP)
LED開/短路保護
專利的CS電阻開/短路保護
安全自動恢復模式
PN8326封裝/ 訂購信息:
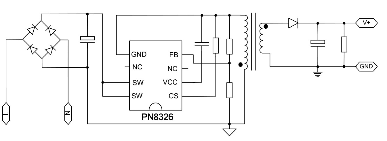
PN8326典型應用圖:
阿里巴巴店鋪
關注驪微
收藏驪微










