推薦產品
聯系我們
深圳市驪微電子科技有限公司
電話:0755-23087599
手機:13808858392
郵箱:dunianhua@leweitech.com
地址:深圳市寶安區西鄉鶴洲恒豐工業城B11棟5樓東
LN5S03是一顆高性能的開關電源次級側同步整流控制器集成電路,可以方便地在應用中構建滿足CoCV5及DE2016等6級能效的低電壓大電流開關電源系統,是理想的超低導通壓降整流器件解決方案。芯片內置了獨特的 TrueWave全時波形追蹤技術,可支持高達200kz的開關頻率應用,并且支持 CCM/CrM/CM等各種開關電源工作模式應用,可在開關電源的每一個波形轉換的邊沿自動快速打開或關閉外部的 LowRdsON MOSfet器件,利用其極低的導通壓降實現遠小于諸如肖特基極管的導通損耗,極大提高了系統的轉換效率,大幅降低了整流器件的溫度,可方便地實現低壓大電流的開關電源應用。
帶電壓鉗位的大電流圖騰柱驅動輸出可直接于驅動外部的 MOSFET器件,最高可達1A的峰值電流驅動能力可確保快速開通和關斷外部的大電流 MOSFET器件,獲得優異的轉換效能:輸出電壓鉗位功能使得高供電電壓下柵極仍然安全可靠。
芯片還內置了高壓直接檢測技術,檢測端子耐壓高達120V,配合高達40V的供電電壓范圍,使得控制器可直接使用高至20V的輸出電壓整流應用中,極大拓展了可使用范圍。
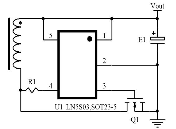
高集成度的電路設計使得芯片外圍電路極其簡單,在5V輸出直接供電的應用中,只需搭配1顆MOSFET即可構建一個完整的開關電源輸出同步整流應用,可提供滿足RoHs要求的標準SOT23-5封裝。
ln5s03同步整流芯片特點
■ 內置 TrueWave"實時波形追蹤技術
■ 支持開關電源CM/CrM/DOM模式
■ 高電流超快速圖騰柱輸出驅動電路
■ 輸出峰值驅動電流能力高達1A
■ 極寬的工作電壓范圍4.5V至40V
■ 可5V直接供電或由輔助繞組供電
■ 內置高壓隔離開關耐壓高達120V
■ 配合 LowRdsoN M0s構建理想二極管
■ 無開關時靜態工作電流可低至0.2mA
■ 支持開關電源頻率最高至200kHz
■ 至簡外圍最低僅有1顆MOS開關
■ 占板面積極小的S0T23-5封裝形式
典型應用電路圖(5V直接供電方式)

應用領域
■ 高能效電源適配器
■ 多口USB充電器
■ 低壓大電流開關電源
ln5s03同步整流芯片是力生美第二代同步整流控制器產品系列,可提供更多優異的性能和更廣泛的使用范圍,可在 CCM/DCM/CrM 等各種開關電源架構中使用,小巧的 SOT23-5 封裝形式配合極少的外圍器件數量,可使系統得以設計的非常緊致小巧,用于高密度電源,更多LN5S03 PD快充同步整流芯片產品手冊及應用資料請向驪微電子申請。>>
阿里巴巴店鋪
關注驪微
收藏驪微










